局部去耦设计方法
我们从一个典型逻辑电路入手,讨论局部退耦设计方法。图7是典型的非门(NOT GATE)电路。当输入(Input)低电平时,Q1打开,拉低Q2的基极,因此Q4的基极被拉低,Q3打开,输出(Output)高电平。
图7 非门内部逻辑
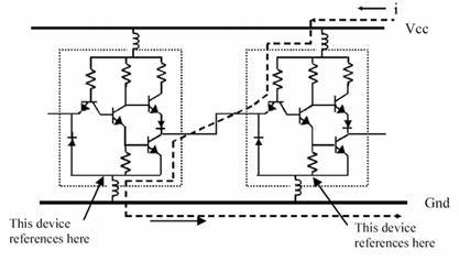
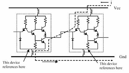
实际电路设计中,器件之间相互连接构成完整系统,因此器件之间必然存在相互影响。作为例子,我们级联两个非门,如图8所示,看看两个器件之间怎样相互影响。理想的情况应该是:第一个非门输入逻辑低电平(逻辑0),其输出为高电平,第二个非门输入为第一个的输出,也为高电平,因此第二个非门输出低电平。
为保证逻辑电路能正常工作,表征电路逻辑状态的电平值必须落在一定范围内。比如对于3.3V逻辑,高电平大于2V为逻辑1,低电平小于0.8V为逻辑0。当逻辑门电路的输入电平处于上述范围内时,电路能保证对输入逻辑状态的正确判断。当电平值处于0.8V到2V之间时,则不能保证对输入逻辑状态的正确判断,对于本例的非门来说,其输出可能是逻辑0,也可能是逻辑1,或者处于不定态。因此输入电平超出规定范围时,可能发生逻辑错误。
逻辑电路在设计时采用了很多技术来保证器件本身不会发生这样的错误。但是,当器件安装到电路板上,板级系统的其他因素仍可能导致类似错误的发生。图8中级联的两个非门共用电源端Vcc和接地端GND。Vcc到每个非门供电引脚间都会存在寄生电感,每个非门的地引脚到GND之间也同样存在寄生电感。在实际板级电路中设计中,寄生电感不可避免,电源平面、地平面、过孔、焊盘、连接焊盘的引出线都会引入额外的寄生电感。图8已经画出了电源端和地端的寄生电感。当第一个非门输入高电平,其输出低电平。此时将会形成图中虚线所示的电流通路,第一个非门接地处寄生电感上的电压为:V=L*di/dt。这里i为逻辑转换过程形成的瞬态电流。如果电路转换过程非常快(高速器件内部晶体管转换时间已经降到了皮秒级),di/dt将是个很大的值,即使很小的寄生电感L也会在电感两端感应出很大的电压V。对于一些大规模逻辑芯片,接地引脚是内部非常多的晶体管共用的,这些晶体管同时开关的话,将产生很大的瞬态电流,再加上极快的转换时间,寄生电感上的感应电压更大。此时第一个非门的输出信号电平为:非门本身低电平电压+寄生电感上的电压。如果这一值接近2V,可能会被第二个非门判断为逻辑1,从而发生逻辑错误。
图8 级联的非门
寄生电感可能引起电路逻辑错误,那么如何解决这一问题?
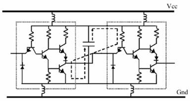
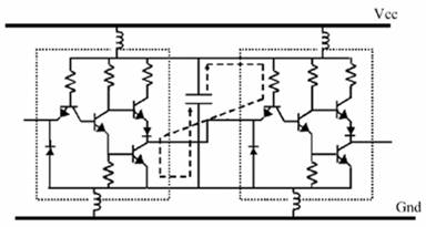
图9展示了一种解决方法。把电容紧邻器件放置,跨接在电源引脚和地引脚之间。正常时,电容充电,存储一部分电荷。当非门发生翻转瞬间,电容放电,形成瞬间的浪涌电流,方向如图9中虚线所示。这样电路转换所需的瞬态电流不必再由VCC提供,电容相当于局部小电源。因此电源端和地端的寄生电感被旁路掉了,寄生电感在这一瞬间没有电流流过,因而也不存在感应电压,这就保证了第一个非门输出信号的逻辑电平值的正确性。
图9 局部去耦
所需电容可能不是一个,通常是两个或多个电容并联放置,减小电容本身的串联电感,进而减小电容充放电回路的阻抗。电容的摆放、安装距离、安装方法、电容选择等问题,本文后面会详细介绍。
很多芯片制造商在参考设计中给出的都是这种局部去耦方式,但并不是说这种方式就是最优的。芯片商关心的是如何提高他所提供的特定器件的性能,也就是说,着眼点在器件本身,并没有从整个电路系统的角度来处理电源去耦的问题。有时你会发现,对每一个的电源和地引脚都单独去耦是不现实的,可能是空间限制,放不下如此多的电容,也可能是成本限制。因此对于板级集成的工程师来说,除了要熟悉局部去耦的方法外,还要深入研究如何从整个电源分配系统的角度进行电源去耦设计。
少长咸集
-
上一篇
电源完整性设计(6)电容的安装谐振频率
发表于2010-03-19 浏览220 评论0
-
下一篇
电源完整性设计(8)从电源系统的角度
发表于2010-03-19 浏览167 评论0
-
特性阻抗和频率有关吗?
浏览165 评论0
于博士专栏
-
信号完整性:PCB走线中途容性负载反射
浏览167 评论0
于博士专栏
-
信号完整性:接收端容性负载的反射
浏览197 评论0
于博士专栏
-
信号完整性:PCB走线宽度变化产生的反射
浏览171 评论0
于博士专栏
-
信号完整性:信号振铃是怎么产生的
浏览162 评论0
于博士专栏
-
信号完整性:信号反射
浏览166 评论0
于博士专栏
-
信号完整性:多长的走线才是传输线
浏览171 评论0
于博士专栏
-
信号完整性:特性阻抗
浏览173 评论0
于博士专栏
-
信号完整性研究:理解临界长度
浏览193 评论0
于博士专栏
-
信号完整性研究:反射现象
浏览163 评论0
于博士专栏